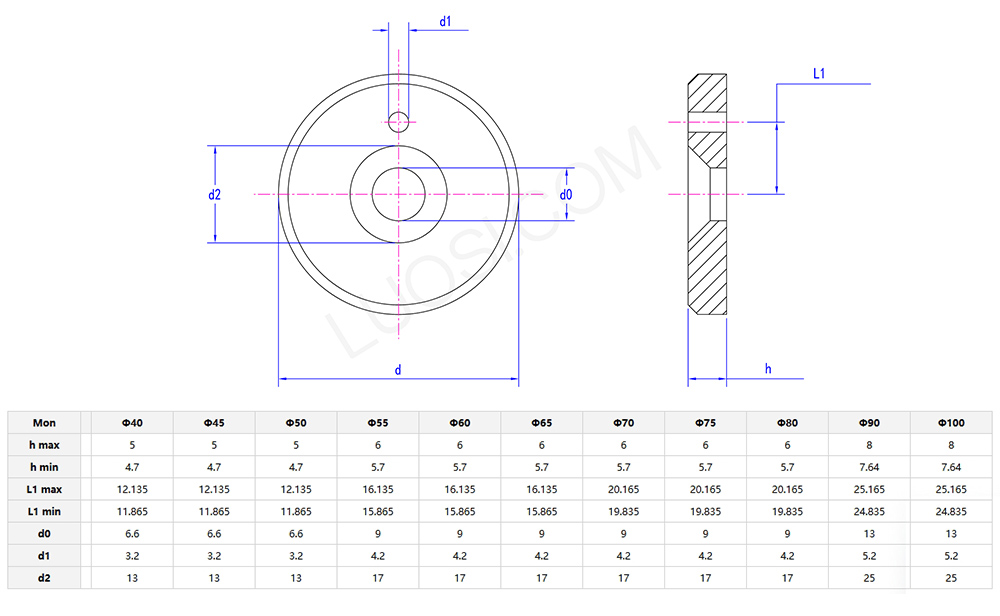
Длястопорний хомут із фіксацією на болт, ви можете вибрати матеріали на основі того, що вам потрібно. Вуглецева сталь (наприклад, SAE 1070/1095) використовується, коли вам потрібен міцний матеріал для складних робіт. Нержавіюча сталь (AISI 304/316) добре працює в місцях, де речі можуть іржавіти або піддаватися корозії. Титанові сплави підходять для аерокосмічної продукції, де вони потрібні легкі, але міцні. Існують також спеціальні матеріали, такі як Inconel®, для ситуацій з екстремальними температурами, як дуже гарячими, так і дуже холодними.
Вони ретельно випробовують кожен матеріал, щоб переконатися, що він витримує — перевіряючи, наскільки він може розтягнутися без руйнування (до 1500 МПа) і наскільки він може витримати з часом знос. Різноманітність матеріалів означає, що це стопорне кільце може працювати в багатьох різних середовищах, від дуже холодних місць до заводів із високою температурою.
Догляд застопорний хомут із фіксацією на болтозначає регулярну перевірку затяжки болтів, зносу поверхні або іржі. Під час технічного обслуговування затягуйте болти до рекомендованого виробником моменту (зазвичай 20-50 Нм). Використовуйте м’які чистячі засоби, щоб витерти сміття, і нанесіть на різьби трохи антизадирного мастила, щоб пізніше було легше розібрати. Якщо ви бачите тріщини або кільце має деформацію, замініть його. Зберігайте кільця в сухому місці з контрольованою температурою, щоб уникнути їх пошкодження перед встановленням. Дотримуючись цього розпорядку, ви зможете працювати найкраще та збільшити термін служби на 30%.

Q: Як визначити правильний розмір aстопорний хомут із фіксацією на болтдля мого діаметра валу?
A: Вибір правильногостопорний хомут із фіксацією на болтзалежить від товщини валу (OD) і типу різьби. Почніть із вимірювання товщини стрижня та порівняйте її з розмірами, наданими виробником. Основні речі, на які слід звернути увагу: внутрішній розмір хомута повинен відповідати різьбі валу, розміру болта та тому, наскільки товстим є хомут. Якщо ваш вал не має різьблення, спочатку потрібно додати різьблення. Завжди ще раз перевіряйте, чи різьби є метричними чи британськими – їх змішування викликає головний біль. Для стрижнів незвичайного розміру існують нестандартні коміри, але вони займуть додатковий час і гроші.
Наші замкові хомути, що фіксуються болтами, в основному виготовлені з вуглецевої сталі. Ми обираємо цей матеріал, тому що він має гарну міцність і зносостійкість, що може задовольнити основні потреби використання продукту.
Перед виходом продукції з заводу ми покриваємо її поверхню антикорозійним шаром. Така обробка запобігає іржавінню нашийників, коли вони використовуються у вологому середовищі або зберігаються протягом тривалого часу.
У нас також є додаткові матеріали, такі як нержавіюча сталь, для клієнтів, яким потрібна краща стійкість до корозії. Товщина матеріалу виробу розроблена відповідно до стандартних вимог щодо несучої навантаження, тому він не деформується та не зламається під час нормального використання.
Засувна частина виготовлена з того ж матеріалу, що й нашийник, тому весь виріб має постійну продуктивність і стабільність.
Вартість доставки наших засувних замків залежить від того, куди ви їх надсилаєте, який спосіб доставки обираєте та скільки замовляєте.
Якщо ви використовуєте стандартну логістику, вартість нижча, але доставка займає трохи більше часу — зазвичай від 3 до 7 робочих днів. Для термінових замовлень можна вибрати експрес-доставку, але це коштуватиме дорожче. Точна додаткова плата залежить від того, на яку відстань має відправитися відправлення.
Коли ваше замовлення досягне певної кількості, ми покриємо вартість доставки за вас. Кожен продукт невеликий і легкий, тому навіть замовлення невеликих партій не потребуватимуть надвисокої комісії за доставку.
Перш ніж щось відправити, ми належним чином запакуємо нашийники, щоб запобігти пошкодженню під час транспортування. І ця вартість упаковки вже включена у вартість доставки — вам не потрібно платити за неї додатково.
Якщо ви хочете дізнатися точну вартість доставки, просто запитайте нашу службу підтримки клієнтів. Вони розрахують його на основі деталей вашого замовлення.
Питання: Який мінімальний замовник і час виконання для вашого стопорного коміра з болтовою фіксацією, і чи пропонуєте ви знижки на оптові замовлення?
Відповідь: Мінімальна кількість замовлення (MOQ) для стандартного стопорного кріплення з болтовою фіксацією становить 300 штук із терміном виконання 7–10 робочих днів для регулярних замовлень. Для оптових замовлень понад 5000 штук ми пропонуємо багаторівневі знижки (знижка 3–10%), щоб зменшити витрати на закупівлю. Індивідуальний стопорний комір із болтовою фіксацією має мінімальну вартість 500 штук і 12–18 робочих днів, включаючи перевірку зразків і планування виробництва.