додому > Продукти > Зварювальні горіхи > Зварювальний гвинт > Приварний гвинт з метричною різьбою
        Приварний гвинт з метричною різьбою
        • Приварний гвинт з метричною різьбоюПриварний гвинт з метричною різьбою
        • Приварний гвинт з метричною різьбоюПриварний гвинт з метричною різьбою
        • Приварний гвинт з метричною різьбоюПриварний гвинт з метричною різьбою

        Приварний гвинт з метричною різьбою

        Приварний гвинт з метричною різьбою використовується для приварювання до металевої поверхні, а потім метрична різьба використовується для з’єднання інших компонентів. Компанія Xiaoguo® має достатній запас товарів на складі. Вони підходять для виробництва металу, автомобільних панелей або промислових каркасів.
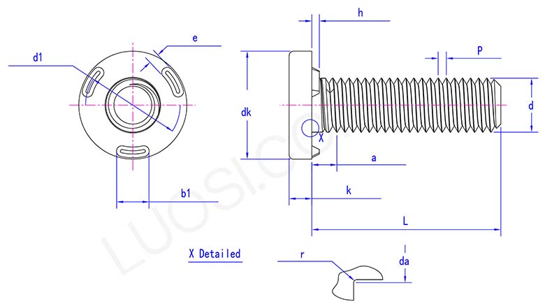
        Модель:DIN 34817-2001

        Надіслати запит

        Опис продукту

        Пн
        M5 M6 M8 M10 M12 M14
        P
        0.8 1 1.25 1.5 1.5 1.5
        макс
        2.4 2.8 3.7 4.4 4.6 4.6
        dk макс
        10 12 16 20 24 28
        dk хв
        9.64 11.57 15.57 19.48 23.48 27.48
        d1 хв
        7.85 9.75 13.25 17.15 21.15 25.20
        d1 макс
        8.21 10.11 13.68 17.58 21.67 25.72
        h макс
        0.8 0.8 1.2 1.4 1.6 1.6
        год хв
        0.7 0.7 1.1 1.3 1.5 1.5
        k макс
        2.2 2.7 3.2 4.2 5 5.8
        k хв
        1.8 2.3 2.8 3.8 4.6 5.4
        r хв
        0.1 0.15 0.15 0.15 0.15 0.2
        е макс
        1.7 1.7 2.2 2.2 2.2 2.7
        е мін
        1.3 1.3 1.8 1.8 1.8 2.3
        b1 макс
        3.9 4.4 5.9 7.9 9.4 11.5
        b1 хв
        3.1 3.6 5.1 7.1 8.6 10.5
        да макс
        5.3 6.4 8.4 10.5 13 15

        Приварний гвинт з метричною різьбою кріпиться до заготовки за допомогою зварювання. Цей тип гвинтів випускається як з головкою, так і без головки. Відповідно до різьби, його можна додатково класифікувати на гвинти з зовнішньою різьбою та зварні гвинти з внутрішньою різьбою. Характеристики, як правило, від M5 до M14.

        Weld screw with metric thread parameter

        Можна використовувати в

        Приварні гвинти з метричною різьбою використовуються для ремонту вихлопних кронштейнів. Якщоболтотвори кронштейна вихлопу зношені, їх можна відремонтувати. Очистіть місця точкового зварювання на рамі, встановіть гвинти та виконайте точкове зварювання через отвори на шайбах. Затягніть кронштейн болтами. Це займе лише 3 хвилини, і немає необхідності повторно свердлити або різати. Він може витримувати вібрацію дороги без розхитування.

        Приварний гвинт з метричною різьбою використовується для модернізації конвеєрних кронштейнів. Якщо вам потрібно додати датчики до наявного конвеєра, використовуйте їх для швидкої установки кронштейнів. Приваріть гвинти M8 до потрібних напрямних рами. Немає необхідності свердлити отвори в ключових конструкціях. Кронштейн датчика безпосередньо кріпиться до нової різьби болтами. Це економить час, необхідний для перемонтажу під час ремонту та встановлення.

        Приварні гвинти використовуються для монтажу гідравлічних трубопроводів. Якщо необхідно закріпити хомут гідравлічного шланга на обладнанні, їх використання може запобігти трясці. Приваріть гвинти M6 уздовж рами кожні 18 дюймів. Кронштейн кріплення кріпиться болтами безпосередньо до гвинта. Вони краще витримують тривалу вібрацію, ніж гвинти для листового металу. Запобігайте зношуванню шланга через тертя.

        Особливості продукту

        Особливість приварного гвинта з метричною різьбою полягає у використанні методу фіксації зварюванням. У порівнянні зі звичайним механічним з’єднанням, зварювання може змусити гвинти та основний матеріал утворити більш міцний зв’язок, майже інтегрований. Конструкцію метричної різьби можна зручно поєднувати з гайками або компонентами з внутрішньою різьбою, що полегшує установку інших деталей у майбутньому. Крім того, точність розмірів ниток відповідає метричним стандартам, що робить його надзвичайно універсальним.

        Гарячі теги: Приварний гвинт з метричною різьбою, Китай, виробник, постачальник, фабрика
        Пов'язана категорія
        Надіслати запит
        Будь ласка, надішліть свій запит у формі нижче. Ми відповімо вам протягом 24 годин.
        X
        Ми використовуємо файли cookie, щоб запропонувати вам кращий досвід перегляду, аналізувати трафік сайту та персоналізувати вміст. Використовуючи цей сайт, ви погоджуєтеся на використання файлів cookie. Політика конфіденційності
        Відхиляти прийняти