додому > Продукти > Горіх > Шестигранна гайка > Шестигранні тонкі гайки
        Шестигранні тонкі гайки
        • Шестигранні тонкі гайкиШестигранні тонкі гайки
        • Шестигранні тонкі гайкиШестигранні тонкі гайки
        • Шестигранні тонкі гайкиШестигранні тонкі гайки
        • Шестигранні тонкі гайкиШестигранні тонкі гайки
        • Шестигранні тонкі гайкиШестигранні тонкі гайки

        Шестигранні тонкі гайки

        Переважні шестигранні тонкі гайки з моментом затягування відповідають таким стандартам, як DIN 980 або ISO 7040. Цей тип шестигранної тонкої гайки має вбудований фіксуючий пристрій і потребує певного моменту затягування. Щороку Xiaoguo® витрачає 15% свого бюджету на дослідження та розробку розумних кріплень. Наша технологія включає монітори напруги з’єднань iot, які використовуються в установках Industry 4.0.
        Модель:ISO 10511-1997

        Надіслати запит

        Опис продукту


        Зробитишестигранні тонкі гайки крутного типуслужать довше, вони отримують обробку поверхні, як-от цинкування (занурення в розплавлений цинк або гальванічне покриття) для запобігання іржі. Фосфатні покриття допомагають їм краще зчепитися і дозволяють фарбі прилипати. Спеціальні покриття, такі як Dacromet®, працюють у дуже важких умовах. Гайки з нержавіючої сталі пасивуються для зміцнення оксидних шарів. Такі покриття, як Geomet® або Delta-Tone®, додають змащення та захист, не порушуючи механізм фіксації. Ці процедури зберігаютьсяшестигранні тонкі гайки крутного типуробота у вологому, солоному або хімічному середовищі, зберігаючи свою форму та функцію.

        torque type hexagon thin nut

        особливості

        Theшестигранні тонкі гайки крутного типупоставляється в метричних розмірах від M4 до M24 і британських розмірах від 1/4 дюйма до 1 дюйма. Він відповідає таким стандартам, як DIN 980, ISO 7040 і ASME B18.2.2. Ви знайдете як тонку, так і грубу різьбу для роботи з різними налаштуваннями болтів. Ця шестигранна тонка гайка на 30-50% тонша за звичайні шестигранні гайки і підходить для невеликих приміщень.Xiaoguo®виробник підтримують налаштування та можуть виготовляти спеціальні розміри або нитки, як-от ліві нитки. Розміри відповідають стандартним гайковим ключам і автоматизованим інструментам, що полегшує установку на заводах.

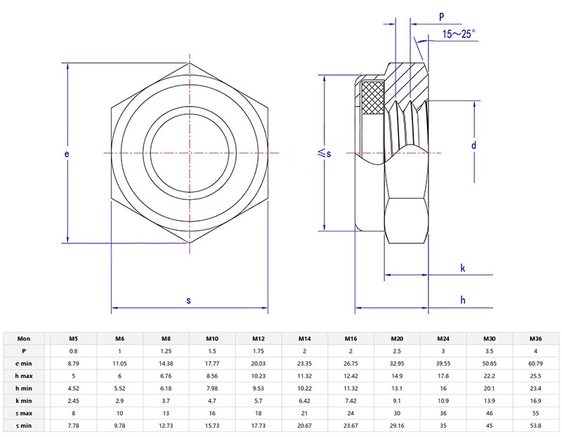
        torque type hexagon thin nut parameter

        FAQ

        Q: Як працюєшестигранні тонкі гайки крутного типупорівняно зі стандартними гайками зі стопорними шайбами?

        A: Замість того, щоб потребувати стопорних шайб, як звичайнихгоріхи,шестигранні тонкі гайки крутного типумає вбудовану блокування. Це скорочує витрати на деталі та час встановлення. Його самоблокуюча конструкція стійка до вібрації, на відміну від шайб, які з часом можуть ослабнути. Тонка форма вписується в тісне приміщення, на відміну від громіздких установок із шайбою та гайкою. Це також дозволяє уникнути таких проблем, як зміщення шайб або спричинення корозії між частинами. Для галузей промисловості, які зосереджені на ефективності та надійності, ця гайка пропонує дешевший варіант, що не потребує обслуговування, який краще працює в ситуаціях інтенсивного руху.

        Ринок
        Загальний дохід (%)
        Північна Америка
        25
        Південна Америка
        2
        Східна Європа
        16
        Південно-Східна Азія
        3
        Африка
        2
        Океанія
        2
        Середній Схід
        3
        Східна Азія
        16
        Західна Європа
        17
        Центральна Америка
        8
        Північна Європа
        1
        Південна Європа
        3
        Південна Азія
        7
        Внутрішній ринок
        8


        Використання продукту

        Ці кріпильні елементи широко використовуються в багатьох звичайних ситуаціях промислового та механічного складання, коли простір обмежений і потрібне низькопрофільне кріпильне рішення. Вони добре працюють у загальних машинах, електричних шафах, автомобільних деталях, вузлах листового металу та побутовому обладнанні. Вони допомагають міцно утримувати компоненти разом за звичайних робочих умов, включаючи ситуації з регулярною вібрацією та повторними навантаженнями. Вони вписуються в стандартні процеси складання та можуть використовуватися з відповідними болтами у виробничих лініях, роботах з технічного обслуговування та встановлення на місці. Вони розроблені для забезпечення стабільної сили затиску, не займаючи надто багато вертикального простору, що робить їх придатними для тонких матеріалів і компактних конструкцій. Більшість стандартних середовищ виробництва та монтажу можуть використовувати їх безпосередньо без спеціальних інструментів або складної підготовки. Вони допомагають зберегти деталі протягом тривалого часу та підтримують постійну продуктивність у щоденному виробництві та експлуатації обладнання.


        Гарантія якості продукції

        Кожна партія виробляється відповідно до встановлених промислових стандартів із постійними розмірами та формою різьблення, щоб забезпечити гарну посадку та стабільну роботу. Кожна деталь проходить через базові процеси перевірки, включаючи перевірку розміру, випробування ниток і перевірку твердості, щоб відповідати нормальним вимогам використання. Вибір матеріалів відповідає загальним галузевим специфікаціям, щоб забезпечити надійну міцність і довговічність у звичайних робочих середовищах. Ми контролюємо стабільність виробництва за допомогою стандартизованої обробки та фіксованих виробничих процедур, зменшуючи варіації між партіями. Дефектні продукти відбираються під час виробництва та перед пакуванням, щоб мінімізувати проблеми під час фактичного використання. Ми також підтримуємо стабільні поставки та незмінну якість протягом тривалого співробітництва, підтримуючи клієнтів надійними кріпильними деталями, які працюють, як очікується, у реальних робочих умовах.





        Гарячі теги: Тонкі шестигранні гайки, Китай, виробник, постачальник, фабрика
        Пов'язана категорія
        Надіслати запит
        Будь ласка, надішліть свій запит у формі нижче. Ми відповімо вам протягом 24 годин.
        X
        Ми використовуємо файли cookie, щоб запропонувати вам кращий досвід перегляду, аналізувати трафік сайту та персоналізувати вміст. Використовуючи цей сайт, ви погоджуєтеся на використання файлів cookie. Політика конфіденційності
        Відхиляти прийняти