Болт з гладким вушком

        Болт з гладким вушком

        Болти Smooth Eye Eye - це спеціальні болти зі сферичною головкою та отвором. Їхня гладка сферична конструкція дозволяє їм з’єднуватися з іншими валами та обертатися. Болти використовуються при складанні меблів, з’єднанні механічних компонентів тощо. Болти з вушком Smooth Eye від Xiaoguo мають конкурентоспроможну ціну, а постійні вдосконалення дизайну та виробничих процесів компанії зробили їх популярними серед покупців.

        Надіслати запит

        Опис продукту

        Витрати на доставку товару

        Ви знаєте, коли ви доставляєте болти Smooth Eye Eye, сума, яку ви платите, насправді зводиться до кількох речей: наскільки важкий ваш пакет, наскільки він великий і куди він прямує. Наприклад, в одному місці, яке я бачив, стягується встановлена ​​комісія в 10 євро за замовлення менше 10 кілограмів — усе, що важче, і ціна зростає. Більшість транспортних компаній дивитимуться або на фактичну вагу вашої коробки, або на її об’ємну вагу (а це фактично те, скільки місця вона займає), і вони стягуватимуть плату залежно від того, яке число виявиться більшим. Отже, якщо ви хочете дізнатися фактичну вартість доставки для замовлення рим-болта, радимо звернутися безпосередньо до свого постачальника або просто скористатися калькулятором доставки на його веб-сайті. Таким чином ви отримаєте реальне число, а не просто припущення.

        Характеристики зовнішнього вигляду виробу

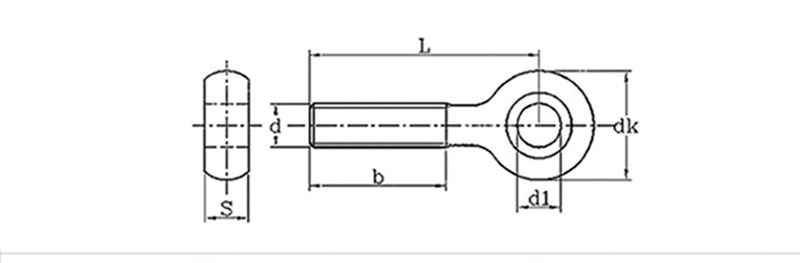
        Отже, коли ви дивитеся на болт Smooth Eye Eye, ви маєте круглу петлю на одному кінці та гвинтовий кінець на іншому. Ця гвинтова частина — те, що називається хвостовиком — може мати різьблення до кінця або лише частково. Деякі версії також мають плоский комір прямо під оком, що дуже корисно, оскільки воно рівномірніше розподіляє силу, якщо ви піднімаєте щось під кутом. Це досить проста конструкція, але саме це робить його надійним як міцне кріплення для гаків, коли ви піднімаєте важкі речі або налаштовуєте такелаж.

        Smooth Eye Eye Bolt

        Сесія запитань і відповідей

        Запитання: з яких матеріалів зроблені ваші болти Smooth Eye Eye?

        Наші болти зазвичай виготовляються з середньовуглецевої сталі для регулярного використання. У нас також є нержавіюча сталь (304/316) для стійкості до іржі та легована сталь для високоміцних робіт у важких умовах.

        Smooth Eye Eye Bolt

        мм
        Діаметр різьби
        d1
        dk
        s
        M6
        5 10.5 5.4
        M8
        6 13 7
        M10
        8 16 8.5
        M12
        10 19 10.5
        M14
        10 22 12


        Гарячі теги: Болт з гладким вушком
        Пов'язана категорія
        Надіслати запит
        Будь ласка, надішліть свій запит у формі нижче. Ми відповімо вам протягом 24 годин.
        X
        Ми використовуємо файли cookie, щоб запропонувати вам кращий досвід перегляду, аналізувати трафік сайту та персоналізувати вміст. Використовуючи цей сайт, ви погоджуєтеся на використання файлів cookie. Політика конфіденційності
        Відхиляти прийняти