Ступінь болта з вушком типу буртика для кріплення визначається стандартами міцності та матеріалів, що є критично важливим для безпечного підйому. Загальні марки включають 4,8, 8,8, 10,9 і 12,9 для варіантів з вуглецевої сталі — більші числа означають більшу міцність на розрив. Рівень 4.8 підходить для невеликих завдань, таких як домашні DIY, тоді як 8.8 підходить для загального промислового використання. Високоміцні марки 10,9 і 12,9 витримують великі навантаження в будівництві або машинобудуванні.
Версії з нержавіючої сталі часто відповідають класам A4 (316) або A2 (304), надаючи перевагу стійкості до корозії для морських/хімічних середовищ. Ковані сорти легованої сталі забезпечують чудову міцність для екстремального підйому. Кожен клас позначено значеннями навантаження, що забезпечує сумісність із запланованими застосуваннями та відповідність вимогам безпеки.
Контроль якості болта з кольцевим вушком означає проведення ретельних перевірок, щоб переконатися, що він безпечний і працює правильно. Цей процес зазвичай передбачає перевірку правильності класу матеріалу, перевірку різьби на точність і виконання тестів на навантаження для підтвердження межі робочого навантаження (WLL). Вони також перевіряють, чи відповідають розміри таким стандартам, як DIN або ISO. Кожна партія рим-болтів має простежуватися, і ви отримаєте сертифікат, щоб підтвердити, що вона відповідає вимогам щодо того, як ви її використовуватимете.

Запитання: як правильно встановлювати гвинт із кольцевим вушком? Для стандартного болта загвинтіть його до упору прямо в різьбовий отвір — переконайтеся, що буртик із вушком торкається поверхні. Витягування під кутом повністю зменшить безпечне робоче навантаження, а це небезпечно.

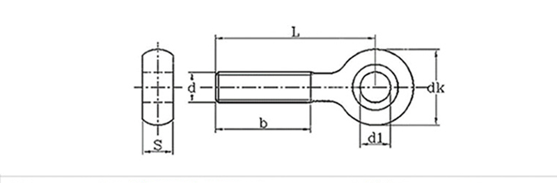
мм
Діаметр різьби
d1
dk
s
M6
5
10.5
5.4
M8
6
13
7
M10
8
16
8.5
M12
10
19
10.5
M14
10
22
12