Болт з косою головкою
        • Болт з косою головкоюБолт з косою головкою
        • Болт з косою головкоюБолт з косою головкою
        • Болт з косою головкоюБолт з косою головкою

        Болт з косою головкою

        Гвинт із похилою головкою є звичайним кріпленням, яке широко використовується в машинобудуванні, будівництві, автомобілебудуванні тощо. Завдяки регулярному спілкуванню та зворотному зв’язку з нашими клієнтами Xiaoguo® постійно вдосконалює наші послуги, щоб забезпечити найвищий рівень задоволеності клієнтів.
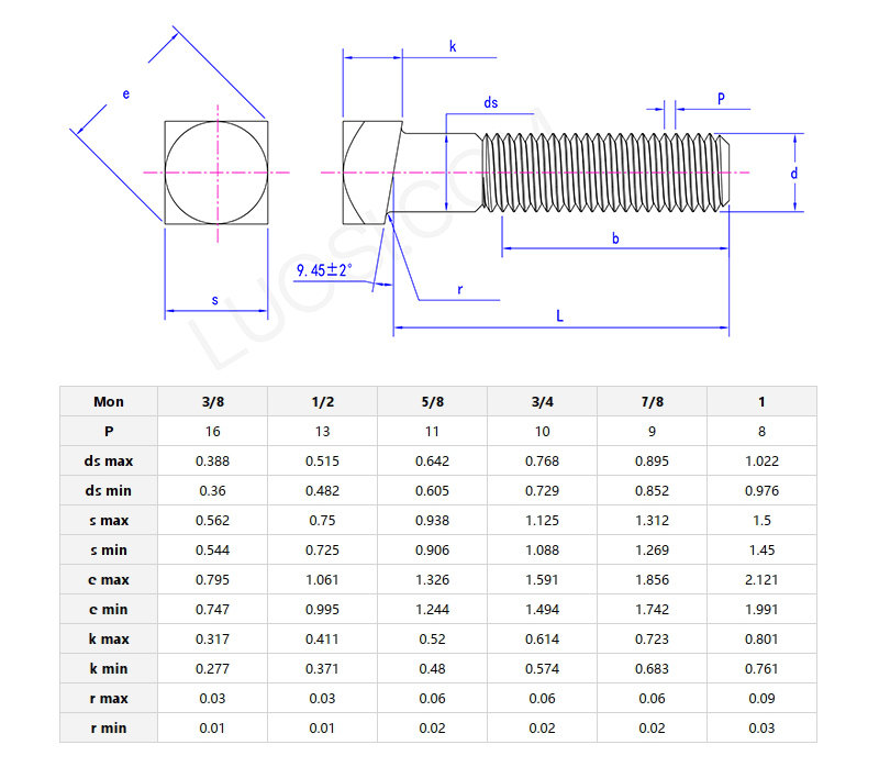
        Модель:ASME/ANSI B18.2.1-4-2012

        Надіслати запит

        Опис продукту

        Болт з похилою головкою — це спеціальний болт із квадратною головкою та унікальною характерною формою.

        Класифікація

        Класифікація розмірів: Болти з похилою головкою можна розділити на різні специфікації відповідно до розміру, наприклад M3, M4, M5 тощо, що відповідає різним діаметрам і довжині різьби.

        Класифікація матеріалів: відповідно до різних умов використання,болти з косою головкоюможна розділити на два види вуглецевої сталі та нержавіючої сталі. Матеріал з вуглецевої сталі має високу міцність, але не стійкість до корозії; Нержавіюча сталь має кращу стійкість до корозії.

        Класифікація класу точності: клас точності болтів з похилою головкою можна розділити на звичайний і підвищений. Діапазон допуску різьби звичайного класу великий, підходить для загальних випадків; Розширені допуски на різьбу менші та точніші, придатні для точних застосувань.

        Сценарії застосування та способи встановлення

        Механічне виробництво: болти з похилою головкою широко використовуються в галузі машинобудування, наприклад у механічному обладнанні, верстатах, трансмісійних пристроях тощо.

        Будівельна промисловість: у галузі будівництва болти з похилою головкою часто використовуються для кріплення різних компонентів, таких як балки, плити, колони тощо.

        Виробництво автомобілів: у процесі виробництва автомобілів,болти з косою головкоювикористовуються для ремонту автозапчастин, таких як двигуни, коробки передач тощо.


        oblique head bolt

        Перед використанням необхідно переконатися, що частина різьби чиста та вільна від домішок, щоб забезпечити плавне встановлення. Вирівняйте болти з похилою головкою з цільовим отвором для різьби та переконайтеся, що болт збігається з отвором. Використовуючи відповідний гайковий ключ або викрутку, обережно затягніть болти, доки вони не рухаються. Перевірте, чи болти затягнуті. Якщо момент затягування не досягає необхідного, затягніть болти. Завершіть установкуболти з косою головкоюі переконайтеся, що всі з’єднувальні частини надійні та стабільні.

        oblique head bolt

        oblique head bolt

        Специфікації та стандарти на продукцію

        Технічні характеристикиболти з косою головкоюрізноманітні, від М8 до М64, а довжина коливається від десятків міліметрів до кількох метрів. Загальні специфікації на ринку включають 4.8 і 8.8, клієнти можуть вибрати правильні специфікації та класи відповідно до конкретних потреб. Крім того, ці болти також можна налаштувати відповідно до вимог різних фасонних деталей, щоб відповідати особливим сценаріям застосування

        Ринок

        Ринок
        Дохід (попередній рік)
        Загальний дохід (%)
        Північна Америка
        Конфіденційно
        20
        Південна Америка
        Конфіденційно
        4
        Східна Європа
        Конфіденційно
        24
        Південно-Східна Азія
        Конфіденційно
        2
        Африка
        Конфіденційно
        2
        Океанія
        Конфіденційно
        1
        Середній Схід
        Конфіденційно
        4
        Східна Азія
        Конфіденційно
        13
        Західна Європа
        Конфіденційно
        18
        Центральна Америка
        Конфіденційно
        6
        Північна Європа
        Конфіденційно
        2
        Південна Європа
        Конфіденційно
        1
        Південна Азія
        Конфіденційно
        4
        Внутрішній ринок
        Конфіденційно
        5


        Гарячі теги: Болт з косою головкою, Китай, Виробник, Постачальник, Завод
        Пов'язана категорія
        Надіслати запит
        Будь ласка, надішліть свій запит у формі нижче. Ми відповімо вам протягом 24 годин.
        X
        Ми використовуємо файли cookie, щоб запропонувати вам кращий досвід перегляду, аналізувати трафік сайту та персоналізувати вміст. Використовуючи цей сайт, ви погоджуєтеся на використання файлів cookie. Політика конфіденційності
        Відхиляти прийняти