Отже, дивлячись на болти Lift Assured Eye, ви побачите, що вони виготовлені з кількох поширених матеріалів, і вибір правильного залежить лише від вашої конкретної роботи. Найпоширенішим типом, який ви побачите, є вуглецева сталь. Це загальний вибір для щоденних підйомних завдань, які не передбачають жодних особливих умов. Щоб запобігти іржі, ці болти з вуглецевої сталі зазвичай мають цинкове покриття, яке надає їм сріблястого, злегка блискучого вигляду.
Потім є нержавіюча сталь. Ви захочете піти з цим, якщо ви працюєте в місцях, де речі можуть бути вологими або корозійними, наприклад, біля океану або на хімічних заводах. Найпоширенішими класами є 304 і 316, причому 316 є трохи більш важким для справді суворих налаштувань. З іншого боку, якщо ви піднімаєте справді важкі вантажі, вам доведеться підійти до кованого рим-болта з легованої сталі. Цей матеріал спеціально створено для виконання значно вищих вимог до міцності, тому він набагато міцніший за стандартну вуглецеву сталь.
Коли ви отримаєте болт Lift Assured Eye, ви помітите, що вони часто мають різне покриття. Це не тільки для зовнішнього вигляду; ця обробка поверхні насправді призначена для того, щоб болт служив довше та боровся з іржею, що надзвичайно важливо для безпеки та довговічності.

Найпоширенішим методом, який ви побачите, є гальванічне покриття. Тут на сталь наносять тонкий шар чогось на зразок цинку чи нікелю. Це дає вам гідний базовий захист від корозії, а також робить болт трохи яскравішим. Але якщо вам потрібне щось більш міцне для суворих умов, наприклад, на відкритому повітрі на будівельному майданчику або у вологій морській зоні, ви захочете пошукати гарячеоцинкований рим-болт. Цей процес створює набагато товстіше покриття, яке є значно міцнішим і може витримувати набагато більше зловживань з часом.
Є й інші варіанти. Наприклад, чорний оксид — це обробка, яка залишає болт темним покриттям без відблисків. Він забезпечує певну стійкість до іржі, але його часто вибирають більше через його зовнішній вигляд і зменшення світлових відблисків. А для болтів з нержавіючої сталі часто використовують процес, який називається пасивацією. Це може здатися складним, але в основному це хімічна ванна, яка допомагає очистити та зміцнити природний захисний шар нержавіючої сталі, підвищуючи її здатність протистояти іржі.
Запитання: чи сертифікований ваш болт Lift Assured Eye? Так, ми можемо надати вам сертифікат випробування для болта Lift Assured Eye. Це доводить, що рим-болт відповідає таким стандартам, як ASME B18.15, і підтверджує, з якого матеріалу він виготовлений, і його механічні властивості.
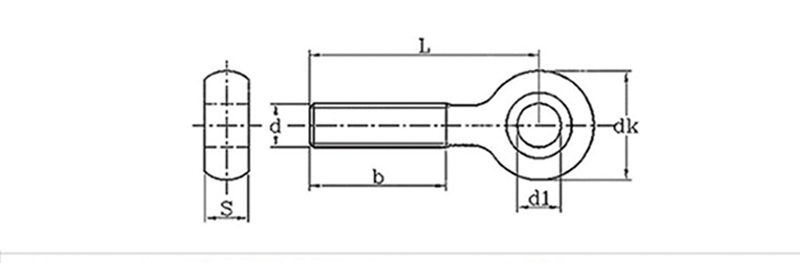
|
мм |
|||
|
Діаметр різьби |
d1 |
dk |
s |
|
M6 |
5 |
10.5 |
5.4 |
|
M8 |
6 | 13 | 7 |
|
M10 |
8 | 16 | 8.5 |
|
M12 |
10 | 19 | 10.5 |