додому > Продукти > Шпилька > Круглий шпилька > Гарячі продажі шпильок
        Гарячі продажі шпильок
        • Гарячі продажі шпильокГарячі продажі шпильок
        • Гарячі продажі шпильокГарячі продажі шпильок

        Гарячі продажі шпильок

        Їхня конструкція дозволяє швидко складати та розбирати такі додатки, як зчіпки для тракторів або дверні механізми. Закупівля найновіших гарячих розпродажів Clevis Pins від Китаю XIAOGUO допомагає підтримувати ефективне обслуговування.

        Надіслати запит

        Опис продукту

        Залежно від того, що вам потрібно, у нас є різні матеріали для цих гарячих продажів. Для повсякденного промислового використання вуглецева сталь є звичайним вибором — вона міцна та економічно ефективна. Якщо ви працюєте у вологих або корозійних місцях, краще підійде нержавіюча сталь марок 304 або 316, оскільки вони добре протистоять іржі. У ситуаціях, коли ви не можете використовувати магнітні деталі, можна використовувати латунь, яка часто використовується в електричних або точних установках. Коли вам потрібна додаткова міцність, наприклад, в аерокосмічній промисловості або на важких роботах, доступна легована сталь. Усі штифти, які ми пропонуємо, відповідають таким стандартам, як ISO 2341, тому вони працюють надійно, як для загальних, так і для спеціальних робіт. Ми просто підбираємо матеріал відповідно до потреб вашого проекту.

        Обробка поверхні виробу

        Ми пропонуємо різні варіанти обробки поверхні для цих гарячих продаваних штифтів, головним чином для того, щоб вони служили довше та протистояли іржі. Загальним вибором є цинкування — воно забезпечує базовий захист і доступне для звичайних робіт. Для більш важких умов на відкритому повітрі або поблизу води гаряче цинкування наноситься товстішим шаром. Для штифтів з нержавіючої сталі ми можемо зробити пасивацію, щоб допомогти їм краще протистояти корозії.

        Інші варіанти включають покриття з чорного оксиду, яке додає деяку зносостійкість і надає темний колір, часто використовується на деталях машин. Для більш вимогливих застосувань, таких як аерокосмічне або точне обладнання, доступне хімічне нікелювання — воно рівномірно покриває та додає твердості.

        Ці оздоблення допомагають штифтам відповідати загальним галузевим стандартам, тож вони працюють у будь-якому випадку, від повсякденних налаштувань до суворих умов.

        Сесія запитань і відповідей

        Питання: Які найпоширеніші застосування гарячих шпильок з клівісами?

        В: Вони ідеально підходять для створення безпечних, знімних точок опори та з’єднання. Зазвичай вони використовуються в тягах керування, гідравлічних системах, буксирних системах і сільськогосподарських машинах, де потрібно легко вставити штифт і закріпити його за допомогою шплінта.

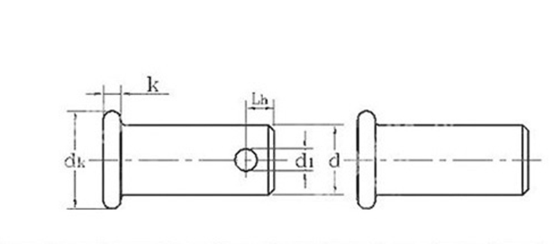
        Hot Selling Clevis Pins


        одиниця: мм
        d макс 3 4 5 6 8 10 12 14 16 18 20
        хв 2.94 3.925 4.925 5.925 7.91 9.91 11.89 13.89 15.89 17.89 19.87
        dk макс 5 6 8 10 12 14 16 18 20 22 25
        хв 4.7 5.7 7.64 9.64 11.57 13.57 15.57 17.57 19.48 21.48 24.48
        k nominaL 1.5 2 2.5 3 3.5 4
        макс 1.625 2.125 2.625 3.125 3.65 4.15
        хв 1.375 1.875 2.375 2.875 3.35 3.85
        d1 хв 1.6 2 3.2 4 5 5
        макс 1.74 2.14 3.38 4.18 5.18 5.18
        Lh хв 1.6 2.2 2.9 3.2 3.5 4.5 5.5 6 6 7 8







        Гарячі теги: Гарячі продажі Clevis Pins, Китай, виробник, постачальник, фабрика
        Пов'язана категорія
        Надіслати запит
        Будь ласка, надішліть свій запит у формі нижче. Ми відповімо вам протягом 24 годин.
        X
        Ми використовуємо файли cookie, щоб запропонувати вам кращий досвід перегляду, аналізувати трафік сайту та персоналізувати вміст. Використовуючи цей сайт, ви погоджуєтеся на використання файлів cookie. Політика конфіденційності
        Відхиляти прийняти