додому > Продукти > Шпилька > Круглий шпилька > Вироблені з ЧПУ шпильки
        Вироблені з ЧПУ шпильки
        • Вироблені з ЧПУ шпилькиВироблені з ЧПУ шпильки
        • Вироблені з ЧПУ шпилькиВироблені з ЧПУ шпильки

        Вироблені з ЧПУ шпильки

        2. CNC штифти Clevis є осьовими штифтами із заокругленими головками, закріпленими отворами під шпильки та шплінтами або контргайками. Вони зазвичай використовуються для з’єднання механічних компонентів, таких як зв’язки та важелі керування. Вироблені з ЧПУ штифти Clevis Xiaoguo обробляються з ЧПК, щоб забезпечити високу точність і міцність, тому ви можете купувати з упевненістю.

        Надіслати запит

        Опис продукту

        У нас є штифти зі скобами, оброблені на верстаті з ЧПУ, різних розмірів, діаметром приблизно від M3 до M24 і довжиною від 10 мм до 200 мм, тому вони підходять для більшості стандартних отворів. Такі важливі частини, як розмір головки та довжина хвостовика, виготовлені відповідно до звичайних специфікацій.

        CNC Machined Clevis Pins

        Для різних робіт ми маємо різні оцінки. Існує звичайний клас для повсякденного використання та більш точний, коли вам потрібна більш щільна посадка, наприклад, в автомобілях чи літаках. Усі вони розроблені відповідно до загальних правил, як-от ISO 2341, тому щоразу ви отримуєте те саме. Це лише означає, що наші штифти зі скобами, виготовлені з ЧПУ, створені для роботи зі стандартними кронштейнами та деталями більшості обладнання.

        Контроль якості продукції

        Ми проводимо стандартні перевірки якості цих штифтів з CNC, щоб переконатися, що вони працюють правильно. Кожен з них вимірюється на такі параметри, як діаметр, довжина та розташування отворів, щоб переконатися, що розміри правильні. Ми також перевіряємо сам матеріал, щоб переконатися, що він відповідного типу, чи він достатньо міцний і жорсткий.

        Ми перевіряємо поверхню на наявність будь-яких подряпин, шорстких країв або інших слідів, які можуть бути проблемою. Усе виконується відповідно до загальноприйнятих галузевих правил, як-от ISO 2341. Ми ведемо записи про випробування для кожної партії, щоб мати змогу відслідковувати їх пізніше.

        Після проходження цих перевірок штифти CNC Clevis підходять для звичайних робіт або складніших застосувань, де вони повинні витримати.

        Сесія запитань і відповідей

        Q: Яким стандартам відповідають ваші CNC Clevis Pins?

        Відповідь: Наші стандартні штифти CNC Clevis виготовлені відповідно до таких специфікацій, як ISO 2341 або ANSI B18.8.1. Це забезпечує постійні розміри для діаметра штифта, головки та отвору, гарантуючи надійну посадку та взаємозамінність у ваших вузлах.

        CNC Machined Clevis Pins


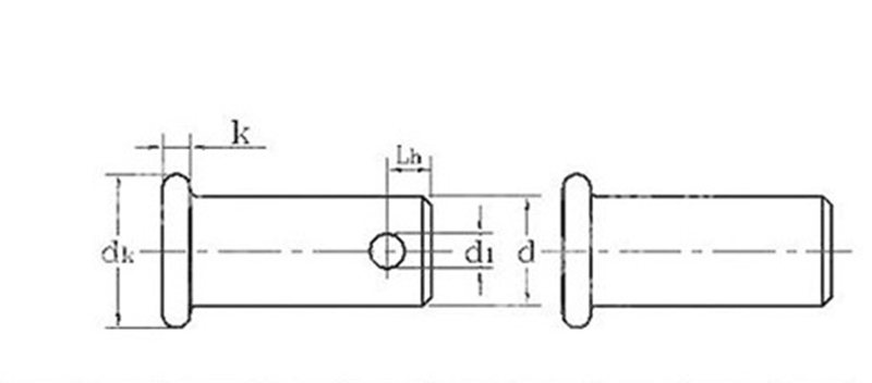
        одиниця: мм
        d макс 3 4 5 6 8 10 12 14 16 18 20
        хв 2.94 3.925 4.925 5.925 7.91 9.91 11.89 13.89 15.89 17.89 19.87
        dk макс 5 6 8 10 12 14 16 18 20 22 25
        хв 4.7 5.7 7.64 9.64 11.57 13.57 15.57 17.57 19.48 21.48 24.48
        k nominaL 1.5 2 2.5 3 3.5 4
        макс 1.625 2.125 2.625 3.125 3.65 4.15
        хв 1.375 1.875 2.375 2.875 3.35 3.85
        d1 хв 1.6 2 3.2 4 5 5
        макс 1.74 2.14 3.38 4.18 5.18 5.18
        Lh хв 1.6 2.2 2.9 3.2 3.5 4.5 5.5 6 6 7 8



        Гарячі теги: Штифти з CNC, Китай, виробник, постачальник, фабрика
        Пов'язана категорія
        Надіслати запит
        Будь ласка, надішліть свій запит у формі нижче. Ми відповімо вам протягом 24 годин.
        X
        Ми використовуємо файли cookie, щоб запропонувати вам кращий досвід перегляду, аналізувати трафік сайту та персоналізувати вміст. Використовуючи цей сайт, ви погоджуєтеся на використання файлів cookie. Політика конфіденційності
        Відхиляти прийняти