додому > Продукти > Шпилька > Круглий шпилька > Штифти з високою міцністю
        Штифти з високою міцністю
        • Штифти з високою міцністюШтифти з високою міцністю
        • Штифти з високою міцністюШтифти з високою міцністю

        Штифти з високою міцністю

        Цю шпильку з високою міцністю можна розбирати та перевстановлювати кілька разів, що робить її зручною для повторного використання. Ви можете з упевненістю замовляти високоміцні шпильки Clevis Pins у Xiaoguo, і ви отримаєте чудовий досвід із гарантованою якістю.

        Надіслати запит

        Опис продукту

        За потреби ми можемо надати сертифікат перевірки цих шпильок із скобами з високою міцністю. Сертифікат містить перелік ключових результатів випробувань: матеріал, з якого зроблено матеріал, його механічні властивості, такі як міцність і твердість, і підтверджує, що всі критичні розміри правильні. У ньому також зазначено, яким стандартам, наприклад ISO 2341, відповідає продукт.

        Кожен сертифікат стосується певної виробничої партії та має унікальний номер, щоб його можна було відстежити. Це запис, який показує, що шпильки пройшли стандартні перевірки від матеріалу до готового продукту. Отримання сертифіката на ваші штифти з високоміцними скобами — це варіант, який корисний для робіт, які вимагають офіційної документації, як для повсякденного промислового використання, так і для більш вимогливих завдань.

        High Tensile Clevis Pins

        Використання продукту

        Цей тип шпильки зазвичай використовується для з’єднання компонентів у машинах, які потребують обертання або повороту. У різному промисловому обладнанні він часто використовується для з’єднання кронштейнів, тяг або важелів. В автомобілях і вантажівках він використовується для компонентів підвіски, гальмівних тяг, пристроїв рульового управління тощо.

        Сільськогосподарське обладнання, таке як тракторні плуги та комбайни, також використовує його. В аерокосмічній галузі він може використовуватися для певних рухомих частин систем літака. Його також можна знайти на човнах, у оснащенні та деяких частинах двигуна, оскільки він добре фіксується на місці.

        Загалом, шпильки зі скобами з високим розтягуванням зручні там, де вам потрібне міцне з’єднання, яке вам також може знадобитися розібрати пізніше, і яке витримає струшування та регулярне використання.

        Сесія запитань і відповідей

        З: Яка стандартна упаковка для ваших високоміцних шпильок?

        Відповідь: ми зазвичай використовуємо міцні картонні коробки для упаковки шпильок високої міцності, і метод пакування зазвичай поділяється за розміром і кількістю (наприклад, 100 штук у коробці).

        Для оптових замовлень ми запакуємо високоміцні шплинти в основну коробку та розмістимо їх на піддоні, щоб забезпечити безпечне транспортування та легкість у використанні.

        High Tensile Clevis Pins


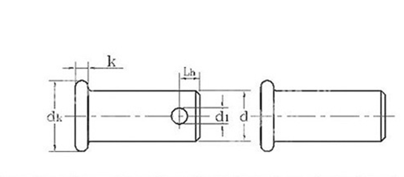
        одиниця: мм
        d макс 3 4 5 6 8 10 12 14 16 18 20
        хв 2.94 3.925 4.925 5.925 7.91 9.91 11.89 13.89 15.89 17.89 19.87
        dk макс 5 6 8 10 12 14 16 18 20 22 25
        хв 4.7 5.7 7.64 9.64 11.57 13.57 15.57 17.57 19.48 21.48 24.48
        k nominaL 1.5 2 2.5 3 3.5 4
        макс 1.625 2.125 2.625 3.125 3.65 4.15
        хв 1.375 1.875 2.375 2.875 3.35 3.85
        d1 хв 1.6 2 3.2 4 5 5
        макс 1.74 2.14 3.38 4.18 5.18 5.18
        Lh хв 1.6 2.2 2.9 3.2 3.5 4.5 5.5 6 6 7 8




        Гарячі теги: Штифти з високою міцністю, Китай, виробник, постачальник, фабрика
        Пов'язана категорія
        Надіслати запит
        Будь ласка, надішліть свій запит у формі нижче. Ми відповімо вам протягом 24 годин.
        X
        Ми використовуємо файли cookie, щоб запропонувати вам кращий досвід перегляду, аналізувати трафік сайту та персоналізувати вміст. Використовуючи цей сайт, ви погоджуєтеся на використання файлів cookie. Політика конфіденційності
        Відхиляти прийняти