додому > Продукти > Горіх > Шестигранна гайка > Гайка шестикутного коміра з висотою 1,5D
        Гайка шестикутного коміра з висотою 1,5D
        • Гайка шестикутного коміра з висотою 1,5DГайка шестикутного коміра з висотою 1,5D
        • Гайка шестикутного коміра з висотою 1,5DГайка шестикутного коміра з висотою 1,5D

        Гайка шестикутного коміра з висотою 1,5D

        Xiaoguo® пропонує індивідуальну гайку шестикутного коміра з висотою 1,5D для унікальних специфікацій потоків або товщини коміра. Колар запобігає послабленню, висота 1,5D забезпечує належне залучення болтів, економить час та частини.
        Модель:DIN 6331-1991

        Надіслати запит

        Опис продукту

        1,5d висотаГайка шестикутного коміра з висотою 1,5DМатчів промисловості, комір зменшує знос. Перевірте без ризику перед основними замовленнями. Ні іржі, ні ковзання, просто надійне кріплення.

        Hexagon Collar Nut With Height 1.5d

        Деталі та параметри продукту

        Якщо ви на ринку для надійнихГайка шестикутного коміра з висотою 1,5D, перевірити колекцію Xiaoguo®. Ці горіхи використовуються в різних галузях. Незалежно від того, чи хочете ви замовити і продати оптом, чи просто потрібно кілька горіхів для власного використання, Xiaoguo® має все необхідне. Наші горіхи довговічні та прості у використанні. Ми пропонуємо конкурентні ціни та швидку доставку, щоб ви могли заощадити час та гроші.

        Гайка шестикутного коміра з висотою 1,5DМоже виглядати просто, але додаткова висота має значення. Він діє як вбудована шайба, зменшуючи зачистки нитки в м'яких матеріалах. Розміри, як 3/8 "x 13unc або m8 x 1 мм, чудово підходять для електронічних корпусів або невеликих механічних деталей. Вищий комір також забезпечує, що горіхи не занурюються на поверхні, залишаючи рум’яну обробку. Більшість - сталь 5 ступінь, врівноваження міцності та доступності.

        Гайка шестикутного коміра з висотою 1,5Dполягає в тому, щоб утримувати болт у вузькому положенні. Додаткова висота (в 1,5 рази більше діаметра нитки) збільшує стабільність. Вони становлять розмір від M6 до M24 (метрики) або від 1/4 дюйма до 1 дюйма (імператорської) і зазвичай виготовляються з вуглецевої сталі, або нержавіюча сталь можна замовити, якщо ви хочете запобігти іржаві продукту. Ця петля може виконувати роботу самостійно. Він використовується для виправлення кронштейнів, збирання невеликих машин і навіть меблів для саморобних робіт.

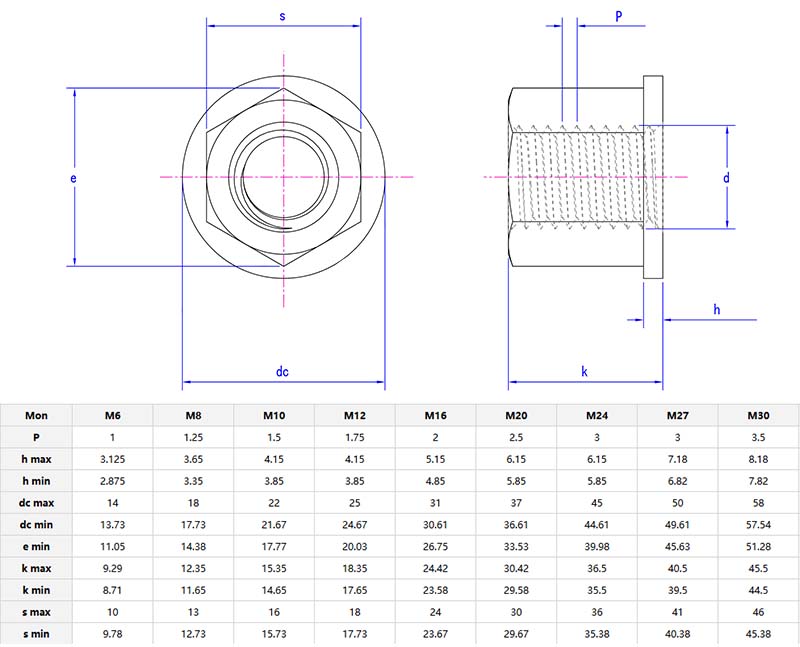
        Hexagon Collar Nut With Height 1.5d parameter


        Усунення несправностей та довгострокова допомога

        Потрібно зберегти своєГайка шестикутного коміра з висотою 1,5DБіг плавно? Ось кілька порад:

        Розпущені гайки: Якщо гайка починає послабитись, спробуйте його обережно підтягнути. Якщо він продовжує ковзати, перевірте наявність пошкодження нитки або якщо болт занадто короткий. Уникайте використання молота, щоб закликати його - це може зламати комір.

        Контроль корозії: Якщо ви помітили іржу, використовуйте дротяну щітку для очищення нитків, а потім покрийте інгібітором іржі. Для сильної іржі замініть гайку замість ризику структурної слабкості. Середовища морської води вимагають додаткових перевірок.

        Коли потрібно замінити: поміняйте гайки, якщо ви бачите будь -які з цих питань: тріщини на комірі, нитки, зношені на 20%, або якщо гайок не може бути повністю затягнутий. Не чекайте, поки не відбудеться невдача!

        Зроби безпека: працюючи з цими горіхами, носіть захист очей та рукавички. Використовуйте затискачі для закріплення сипучих деталей, літаючі болти можуть спричинити серйозні травми.


        Гарячі теги: Гайка з шестикутним коміром з висотою 1,5D, Китай, виробник, постачальник, фабрика
        Пов'язана категорія
        Надіслати запит
        Будь ласка, надішліть свій запит у формі нижче. Ми відповімо вам протягом 24 годин.
        X
        Ми використовуємо файли cookie, щоб запропонувати вам кращий досвід перегляду, аналізувати трафік сайту та персоналізувати вміст. Використовуючи цей сайт, ви погоджуєтеся на використання файлів cookie. Політика конфіденційності
        Відхиляти прийняти