Профіль ригеля
        • Профіль ригеляПрофіль ригеля
        • Профіль ригеляПрофіль ригеля
        • Профіль ригеляПрофіль ригеля

        Профіль ригеля

        Профіль Fish bolt Профіль Fish bolt виробництва фабрики Xiaoguo® пройшов точну обробку. Всі виробничі процеси пройшли ретельний контроль. Відповідно до стандарту AS 1085.4-2002, вам не потрібно турбуватися про якість продукту. Ми пропонуємо безкоштовні зразки для тестування.
        Модель:ASME/ANSI B18.10-1-2006

        Надіслати запит

        Опис продукту

        TheПрофіль ригеляв основному використовується для з'єднання рибних пластин на колії, що дозволяє міцно з'єднати дві секції залізничних колій, щоб утворити довгу колію. Ми можемо виробляти відповідно до різних міжнародних стандартів, таких як BS, ASTM, DIN та інших стандартів.

        Деталі продукту

        Існує декілька форм головки болта, наприклад кругла головка, квадратна головка та шестигранна головка. Його гвинтова частина має різьбу, а характеристики розмірів дуже різноманітні. Діаметр, як правило, коливається від M10 до M24, а довжина також може коливатися від десятків міліметрів до понад сотні міліметрів. Звичайні матеріали включають вуглецеву сталь, таку як сталь Q235 і 45#, а також нержавіючу сталь.

        TheПрофіль ригелявикористовується в залізничному транспорті. При прокладанні залізничних колій їх використовують для з'єднання ділянок рейок один за одним. Щодня коліями проходять численні швидкі та важкі поїзди, які створюють значні вібрації та тиск. Засув може надійно зафіксувати з’єднання рейок, що забезпечує стабільність колії та забезпечує безпечний і плавний рух поїзда. Будь то вантажна залізниця для перевезень на далекі відстані або високошвидкісна залізниця та звичайна залізниця для перевезення пасажирів, жодна з них не може обійтися без неї.

        Fish bolt profile

        Місце продажу товару

        TheПрофіль ригеляз'єднання міцне та практичне. Він може міцно фіксувати стики залізничних колій. Коли потяг рухається, рейки не будуть легко зміщуватися або ослаблятися. Крім того, він має високу універсальність і може використовуватися на важких залізницях, легких рейках і деяких коліях у промисловості.

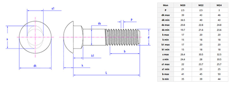
        Параметри продукту

        Fish bolt profile


        Упаковка продукту

        Упаковка профілю Fish bolt створена для зручного зберігання та транспортування. Кожна партія спочатку сортується за розміром, потім упаковується в щільні поліетиленові пакети по 50 або 100 штук в пакеті. Пакети щільно закриті, щоб уникнути потрапляння пилу та вологи, щоб уникнути іржі чи пошкодження ниток. Потім ці невеликі пакети поміщають у гофрокартон. На кожній коробці є етикетка з основною інформацією: розмір, кількість, дата виробництва та номер партії. Для оптових замовлень картонні коробки укладаються на дерев’яні піддони та фіксуються сталевими стрічками, щоб запобігти зсуву під час транспортування. Цей метод упаковки простий у використанні, незалежно від того, чи це складське зберігання чи використання на місці. Це також допомагає з швидкою перевіркою запасів і виконанням замовлень для внутрішніх і міжнародних відправлень.


        Сесія запитань і відповідей

        Q: Які стандартні характеристики має профіль Fish bolt?

        A: Профіль болта з рибою в основному відповідає міжнародним стандартам залізничного кріплення, таким як DIN та ISO. Загальні характеристики включають діаметр хвостовика від 16 мм до 30 мм і довжину від 80 мм до 200 мм. Ці параметри розраховані на з’єднання рейок і шпал. Ми можемо надати детальну таблицю специфікацій, а також доступний індивідуальний профіль Fish bolt відповідно до ваших конкретних вимог залізничного проекту.  



        Гарячі теги: Профіль з рибою, Китай, Виробник, Постачальник, Завод
        Пов'язана категорія
        Надіслати запит
        Будь ласка, надішліть свій запит у формі нижче. Ми відповімо вам протягом 24 годин.
        X
        Ми використовуємо файли cookie, щоб запропонувати вам кращий досвід перегляду, аналізувати трафік сайту та персоналізувати вміст. Використовуючи цей сайт, ви погоджуєтеся на використання файлів cookie. Політика конфіденційності
        Відхиляти прийняти