додому > Продукти > Болт > Болт з квадратною головкою > Болти з наконечником з чашковою головкою
        Болти з наконечником з чашковою головкою
        • Болти з наконечником з чашковою головкоюБолти з наконечником з чашковою головкою
        • Болти з наконечником з чашковою головкоюБолти з наконечником з чашковою головкою

        Болти з наконечником з чашковою головкою

        Гвинти з чашковою головкою виробництва Xiaoguo® Company можуть міцно затискати м’які матеріали, такі як дерево або пластик. Чашеподібна головка забезпечує більшу площу поверхні затягування, а загострений кінчик внизу може глибоко проникнути в болт, щоб запобігти його ковзанню або обертанню під час роботи.
        Модель:DIN 607-1981

        Надіслати запит

        Опис продукту

        Керівник вболти з чашковою головкоюсхожий на маленьку чашку, круглу і опусту. Знизу він з'єднаний з гострим шипом, а гвинтова частина має різьбу. Цей дизайн дуже особливий. Він має унікальні переваги під час ремонту речей і може бути використаний у багатьох місцях.



        Деталі та параметри товару

        Болти з наконечником з чашковою головкоюможна використовувати для виготовлення дерев'яних моделей на шкільних уроках рукоділля. На уроках рукоділля в школі при виготовленні дерев'яних моделей, наприклад будиночків, човнів, їх можна використовувати для кріплення деталей. Він простий у використанні, що дозволяє учням швидко освоїти його. Крім того, це може зробити структуру моделі більш міцною, полегшуючи учням демонстрацію своїх робіт, а також роблячи її зручною для тривалого збереження моделі.

        Використовують ентузіасти своїми рукамиболти з чашковою головкоюпри ремонті дренажних канав або водостічних труб. Болти можна зафіксувати в алюмінії або сталі без свердління отворів, а болти з чашковою головкою ховаються під герметиком. Якщо вам потрібні міцні болти, ви можете вибрати матеріал з нержавіючої сталі. Після грози на домі не залишиться іржі.

        Фермери використовують болти при ремонті зерносховищ або зрошувальних труб. Болти можуть міцно захопити іржаву поверхню та ефективно протистояти вогкості сараю. Низькі головки болтів не зачеплять сіно чи інструменти, і немає необхідності зупиняти машину через від’єднання кріплень.


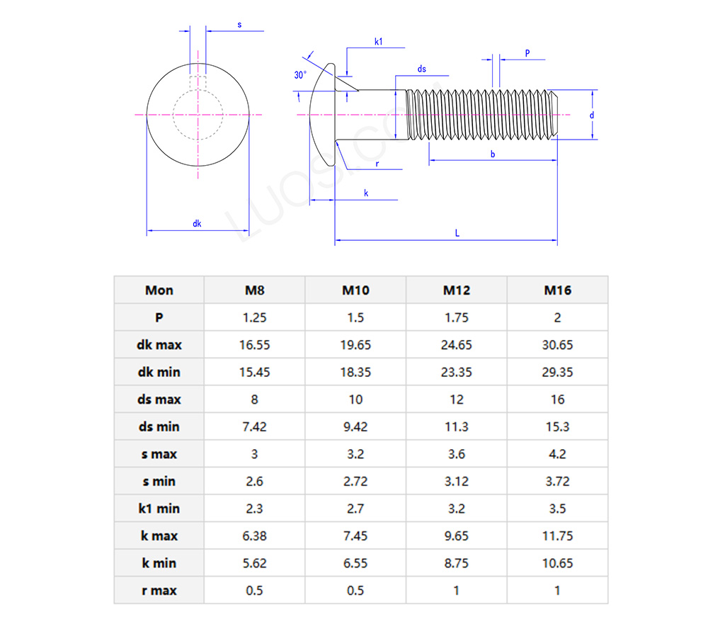
        Cup head nib bolts parameters

        Місце продажу товару

        Theболти з чашковою головкоюне тільки міцно фіксуються та швидко встановлюються, але форма головки чашки може розширити площу контакту, розсіяти тиск під час затягування та зробити з’єднання міцнішим, яке нелегко послабити; Загострений шип можна легко вставити в матеріал, щоб запобігти випадковому повороту болта під час затягування, а також його зручніше встановлювати.


        Матеріал продукту

        Ми виготовляємо болти з наконечниками з чашковою головкою з кількох основних матеріалів, головним чином з вуглецевої сталі, легованої сталі та нержавіючої сталі. Правильний вибір залежить від того, де вони будуть використовуватися.


        Для звичайних повсякденних робіт, таких як кріплення внутрішнього обладнання під низьким і середнім навантаженням, такі типи вуглецевої сталі, як 1010 або 1018, чудово підходять. Вони бюджетні, але зазвичай потребують покриття, наприклад оцинкування, щоб запобігти іржі.


        Якщо вам потрібна більша міцність — для таких речей, як важка техніка чи з’єднання шасі автомобіля — ми використовуємо леговані сталі, такі як 35CrMo. Вони проходять термічну обробку, щоб підвищити їх міцність і міцність.


        Для місць, де іржа викликає занепокоєння, краще використовувати нержавіючу сталь. Клас 304 добре підходить для сухих приміщень, наприклад, для побутової техніки. Якщо ви працюєте на відкритому повітрі, поблизу солоної води або з хімікатами, клас 316 є кращим вибором, оскільки він краще протистоїть корозії.


        Матеріал, який ви обираєте, залежить від ваших робочих умов — наскільки він вологий, яку вагу витримає болт і який ризик корозії існує.


        Витрати на транспортування продукції

        Витрати на доставку гвинтів з наконечниками з чашковою головкою залежать від кількох речей: їхньої ваги, місця займають, далеко пересуваються та способу доставки.


        Для невеликих замовлень (до 20 кг) ми зазвичай відправляємо їх кур'єром. Вартість доставки визначається за початковою вагою плюс надбавка за кожен додатковий кілограм. Усередині країни базова плата становить від 1,5 до 3 доларів, а кожен додатковий кілограм коштує від 0,3 до 1,2 долара.


        Для великих замовлень (понад 20 кг) доставка вантажів або LTL (завантаження менше вантажівки) часто обходиться дешевше. Вартість залежить від фактичної ваги або розміру пакунка — залежно від того, що з них більше. Щоб знайти вагу розміру, помножте довжину, ширину та висоту в сантиметрах, а потім розділіть на 6000.


        Наприклад, доставка 1 тонни всередині країни на велику відстань зазвичай становить від 60 до 90 доларів США. Чим більше ви відправляєте, тим нижча вартість одиниці.


        Для міжнародних замовлень такі речі, як портові збори та митні збори, вступають у гру. Морські перевезення повільніші, але дешевші, тоді як авіаперевезення швидші, але коштують дорожче.


        Якщо вам потрібна доставка від дверей до дверей або прискорена доставка, це може додати від 20% до 50% до базової ціни.


        Щоб уникнути несподіванок пізніше, перед надсиланням радимо уточнювати повну вартість у свого постачальника послуг доставки.



        Матеріал продукту

        Ми виготовляємо болти з наконечниками з чашковою головкою з кількох основних матеріалів, головним чином з вуглецевої сталі, легованої сталі та нержавіючої сталі. Правильний вибір залежить від того, де вони будуть використовуватися.


        Для звичайних повсякденних робіт, таких як кріплення внутрішнього обладнання під низьким і середнім навантаженням, такі типи вуглецевої сталі, як 1010 або 1018, чудово підходять. Вони бюджетні, але зазвичай потребують покриття, наприклад оцинкування, щоб запобігти іржі.


        Якщо вам потрібна більша міцність — для таких речей, як важка техніка чи з’єднання шасі автомобіля — ми використовуємо леговані сталі, такі як 35CrMo. Вони проходять термічну обробку, щоб підвищити їх міцність і міцність.


        Для місць, де іржа викликає занепокоєння, краще використовувати нержавіючу сталь. Клас 304 добре підходить для сухих приміщень, наприклад, для побутової техніки. Якщо ви працюєте на відкритому повітрі, поблизу солоної води або з хімікатами, клас 316 є кращим вибором, оскільки він краще протистоїть корозії.


        Матеріал, який ви обираєте, залежить від ваших робочих умов — наскільки він вологий, яку вагу витримає болт і який ризик корозії існує.


        Витрати на транспортування продукції

        Витрати на доставку гвинтів з наконечниками з чашковою головкою залежать від кількох речей: їхньої ваги, місця займають, далеко пересуваються та способу доставки.


        Для невеликих замовлень (до 20 кг) ми зазвичай відправляємо їх кур'єром. Вартість доставки визначається за початковою вагою плюс надбавка за кожен додатковий кілограм. Усередині країни базова плата становить від 1,5 до 3 доларів, а кожен додатковий кілограм коштує від 0,3 до 1,2 долара.


        Для великих замовлень (понад 20 кг) доставка вантажів або LTL (завантаження менше вантажівки) часто обходиться дешевше. Вартість залежить від фактичної ваги або розміру пакунка — залежно від того, що з них більше. Щоб знайти вагу розміру, помножте довжину, ширину та висоту в сантиметрах, а потім розділіть на 6000.


        Наприклад, доставка 1 тонни всередині країни на велику відстань зазвичай становить від 60 до 90 доларів США. Чим більше ви відправляєте, тим нижча вартість одиниці.


        Для міжнародних замовлень такі речі, як портові збори та митні збори, вступають у гру. Морські перевезення повільніші, але дешевші, тоді як авіаперевезення швидші, але коштують дорожче.


        Якщо вам потрібна доставка від дверей до дверей або прискорена доставка, це може додати від 20% до 50% до базової ціни.


        Щоб уникнути несподіванок пізніше, перед надсиланням радимо уточнювати повну вартість у свого постачальника послуг доставки.





        Гарячі теги: Болти з наконечниками чашкової головки, Китай, виробник, постачальник, фабрика
        Пов'язана категорія
        Надіслати запит
        Будь ласка, надішліть свій запит у формі нижче. Ми відповімо вам протягом 24 годин.
        X
        Ми використовуємо файли cookie, щоб запропонувати вам кращий досвід перегляду, аналізувати трафік сайту та персоналізувати вміст. Використовуючи цей сайт, ви погоджуєтеся на використання файлів cookie. Політика конфіденційності
        Відхиляти прийняти