Зовнішній зварювальний болт з високою міцністю - це особливий вид застібки, виготовлений для сильно та легко підключення до металевих листів або конструкцій. Він має проекції - зазвичай кілець або маленькі шишки - на стороні, яка торкається металу, і вони зроблені для точних розмірів.
Коли ви зварюєте його, багато електричного струму фокусується на цих прогнозах. Це робить метал там по -справжньому гарячим, танею, а потім, коли він охолоне, він утворює сильне зварювання. Це зварювання міцно тримає болт з високою силою для обличчя, до того, над яким ви працюєте.
Основна робота з високою силою спроекенту для зварювального зварювання-створити постійну точку кріплення на основі нитки, яка може утримувати вагу. Для зварювання його потрібне спеціальне проекційне зварювальне обладнання.
Електроди натискають вниз і надсилають багато електроенергії через прогнози Болта та металеву частину, з якою ви працюєте. Те, як проводиться зварювальний болт, означає лише прогнози, що тануть - нічого більше. Коли вони охолоджуються, вони утворюють сильний металевий зв’язок, а метал навколо нього не зігнувся або викривлений.
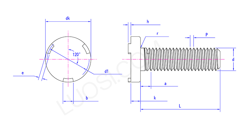
| Мн | M5 | М6 | M8 | М10 |
| P | 0.8 | 1 | 1.25 | 5 |
| DK Max | 12.4 | 14.4 | 16.4 | 20.4 |
| DK хв | 11.6 | 13.6 | 15.6 | 19.6 |
| k max | 2 | 2.2 | 3.2 | 4.2 |
| K хв | 1.6 | 1.8 | 3.2 | 4.2 |
| і Макс | 2.25 | 2.75 | 2.25 | 2.75 |
| E хв | 1.75 | 2.25 | 1.75 | 2.25 |
| б макс | 3.3 | 4.3 | 5.3 | 6.3 |
| Б хв | 2.7 | 3.7 | 4.7 | 5.7 |
| H max | 0.8 | 0.9 | 1.1 | 1.3 |
| H хв | 0.6 | 0.75 | 0.9 | 1.1 |
| D1 Max | 10 | 11.5 | 14 | 17.5 |
| D1 хв | 9 | 10.5 | 13 | 16.5 |
| R хв | 0.2 | 0.25 | 0.4 | 0.4 |
| r Макс | 0.6 | 0.7 | 0.9 | 1.2 |
| максимум | 3.2 | 4 | 5 | 5 |

Болт з високою силою для обличчя має мало піднятих деталей - зазвичай кілець або невеликих вм'ятин - на стороні, яка зварюється. Коли ви зварюєте його, багато електроенергії фокусується на піднятих деталях. Вони тануть відразу проти основного металу, а електрод натискає вниз.
Це робить міцні, тісні зварні шви, які добре тримають болт на місці. Вони чудово працюють для роботи з листового металу.