Природні особливості пластикових заклепок, що розширюються, роблять їх придатними для спеціального використання. Оскільки він не проводить електрику, він дуже важливий в електричних коробках і зонах високої напруги. Він не створює іскри, що дійсно необхідно в місцях, де можуть статися вибухи (зони ATEX).
Ви також не можете обійтися без нього в кімнатах МРТ і чутливій електроніці, місцях, де навіть невеликі магнітні поля від металевих штирів просто заборонені.

Хороші пластикові заклепки, що розширюються, проходять суворі випробування, щоб переконатися, що вони працюють стабільно. Ці тести перевіряють такі речі, як точність розміру, наскільки він може витримати, наскільки добре він справляється з ударами та чи працює з різними хімікатами.
Пластикові шплінти Xiaoguo® виготовляються відповідно до галузевих стандартів з використанням матеріалів, які відповідають визначеним вимогам, що забезпечує продуктивність. Вони надійно та надійно утримують предмети на місці за призначенням. Порівняно з металевими шплінтами пластикові більш стійкі до корозії та іржі.

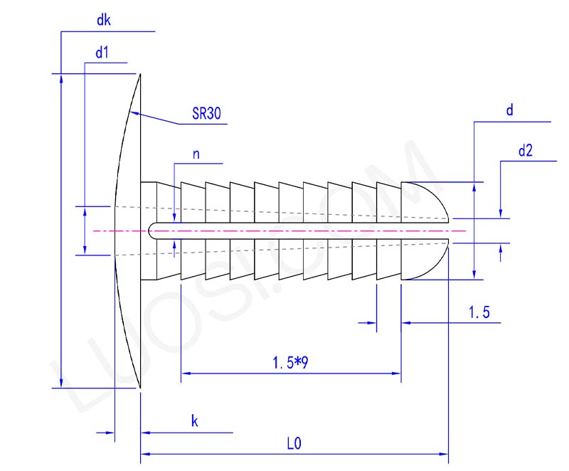
Пн
F6
F8
Φ10
d макс
6
8
10
dmin
5.8
7.8
9.8
dk макс
16.2
16.2
18.2
dk хв
15.8
15.8
17.8
k макс
1.6
1.6
2.1
k хв
1.4
1.4
1.9
L0
20
20
22
d1
3
4
5
d2
1.5
2
3
n
1
1
1.5
Наші стандартні пластикові заклепки, що розширюються, виготовлені з матеріалів, які відповідають основним міжнародним нормам, зокрема RoHS і REACH. Ми також пропонуємо сертифіковані FDA версії для застосування в контакті з харчовими продуктами. Сертифікати відповідності надаються за запитом.
Наші матеріали ретельно відбираються відповідно до світових стандартів під час виробництва, забезпечуючи дотримання відповідних стандартів якості та гарантуючи безпечний експорт і широке використання в усьому світі.