Розсувна заклепка
        • Розсувна заклепкаРозсувна заклепка
        • Розсувна заклепкаРозсувна заклепка
        • Розсувна заклепкаРозсувна заклепка
        • Розсувна заклепкаРозсувна заклепка
        • Розсувна заклепкаРозсувна заклепка

        Розсувна заклепка

        Заклепка, що розширюється, — це пластикова застібка, яка встановлюється шляхом вставлення її гнучких зубців у отвір, а потім відокремлення. Xiaoguo® є виробником із понад десятирічним досвідом роботи в галузі кріплень. Ми можемо доставити вчасно незалежно від розміру замовлення.
        Модель:QC/T 350-1999

        Надіслати запит

        Опис продукту

        Найпоширенішими матеріалами для надійних розширювальних заклепок є армований скло нейлон 6/6 і ацетальний сополімер (POM). Нейлон 6/6 міцніший і краще витримує тепло. POM добре зберігає форму, не сильно натирає і витримує багаторазове використання, не зношуючись.

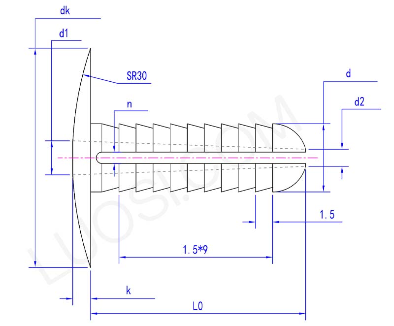
        expanding rivet clip parameter

        Пн
        Φ6 Φ8
        Φ10
        d макс
        6 8 10
        d хв
        5.8 7.8 9.8
        dk макс
        16.2 16.2 18.2
        dk хв
        15.8 15.8 17.8
        k макс
        1.6 1.6 2.1
        k хв
        1.4 1.4 1.9
        L0
        20 20 22
        d1
        3 4 5
        d2
        1.5 2 3
        n
        1 1 1.5

        Ці інженерні пластики гарантують, що корпус шплінта добре працює за механічних навантажень і важких умов. На відміну від дешевшого пластику, вони не руйнуються легко.

        Технічне обслуговування

        Обслуговувати розширювальні заклепки просто. Виготовлені зі стійкого до корозії пластику, вони не іржавіють, усуваючи потребу в антикорозійних агентах або маслах. Перед використанням перевірте їх на наявність пошкоджень, таких як тріщини, деформація, крихкість або побіління внаслідок тривалого впливу сонячного світла. Заміна проста; не потрібні спеціальні інструменти. Просто витягніть стару кліпсу за ніжки та замініть її новою. Простий у використанні. Регулярно перевіряйте стан хомута заклепки та негайно замінюйте його.

        Чи стійкий ваш пристрій до УФ-випромінювання для тривалого використання на вулиці?

        Наші стандартні заклепки, що розширюються, мають блокатори ультрафіолетового випромінювання, вбудовані безпосередньо під час їх виготовлення. Навіть якщо вони піддаються тривалому впливу сонячного світла, вони не висихають, не стають крихкими та легко тріскаються.

        Захист від ультрафіолетового випромінювання дозволяє їм виконувати свою роботу, залишаючись сильними, гнучкими та міцно тримаючись навіть у складних умовах на вулиці. Подумайте про трактори, екскаватори, сонячні батареї, сільськогосподарське обладнання тощо. У порівнянні зі звичайним пластиком без нього, вони служать довше, і вам не потрібно над ними метушитися.


        Гарячі теги: Затискач для заклепок, Китай, виробник, постачальник, фабрика
        Пов'язана категорія
        Надіслати запит
        Будь ласка, надішліть свій запит у формі нижче. Ми відповімо вам протягом 24 годин.
        X
        Ми використовуємо файли cookie, щоб запропонувати вам кращий досвід перегляду, аналізувати трафік сайту та персоналізувати вміст. Використовуючи цей сайт, ви погоджуєтеся на використання файлів cookie. Політика конфіденційності
        Відхиляти прийняти