додому > Продукти > Гвинт > Інші гвинти > 12-точковий гвинт із фланцевою головкою
        12-точковий гвинт із фланцевою головкою
        • 12-точковий гвинт із фланцевою головкою12-точковий гвинт із фланцевою головкою
        • 12-точковий гвинт із фланцевою головкою12-точковий гвинт із фланцевою головкою

        12-точковий гвинт із фланцевою головкою

        Китайський постачальник Xiaoguo® 12-точковий гвинт із фланцевою головкою забезпечує ефект надійного кріплення та високу міцність, що робить їх придатними для промислового застосування. Вони можуть забезпечити надійну роботу в різних цілях використання. Вибір гвинта з 12-точковою головкою з фланцем, виробленого в Китаї, може гарантувати тривалу довговічність.

        Надіслати запит

        Опис продукту

        Цей 12-точковий гвинт із фланцевою головкою використовується у всіх видах промислових і механічних установок. Ви знайдете його на вантажівках, двигунах, сільськогосподарських машинах, будівельному обладнанні та заводських конвеєрах. Він ідеально підходить для місць, де потрібні міцні, стабільні з’єднання, особливо коли є високий крутний момент або великі навантаження.

        12-стороння конструкція дозволяє прикладати більше зусилля під час встановлення, а вбудований фланець означає, що вам не потрібні додаткові шайби. Це прискорює збірку та полегшує весь процес. Він зазвичай використовується у виробництві автомобілів, машинобудуванні, гідравлічних системах та обслуговуванні конструкцій.

        Багато ремонтні майстерні та виробничі підприємства використовують його для щоденного ремонту та складання обладнання. Він добре працює як для невеликих виправлень, так і для великомасштабного виробництва. Конструкція допомагає утримувати деталі міцно прикріпленими та зменшує ослаблення від тривалої вібрації та руху. Він підходить для багатьох поширених робочих середовищ і відповідає стандартним вимогам для різних промислових проектів.

        12 Point Flange Head Cap Screw

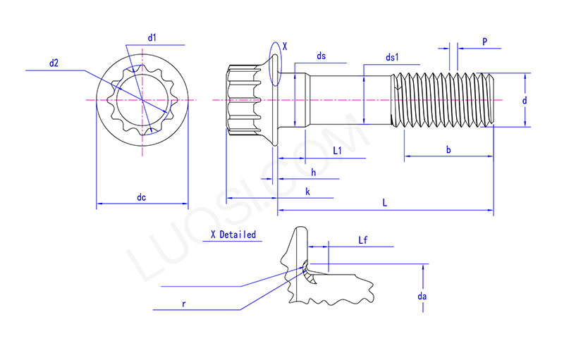
        Пн M5 M6 M8 M10 M12 M14 M16 М20
        P 0.8 1 1.25 1.5 1.75 2 2 2.5
        ds макс 5 6 8 10 12 14 16 20
        ds хв 4.82 5.82 7.78 9.78 11.73 13.73 15.73 19.67
        постійний струм макс 9.4 11.3 15 18.6 22.8 26.4 30.3 37.4
        год хв 1.7 2.1 2.7 3.4 4.1 4.8 5.7 7.2
        k макс 5 6 8 10 12 14 16 20
        d1 макс 5.86 7.02 9.37 11.7 14.04 16.29 18.71 23.4
        d1 хв 5.71 6.82 9.17 11.5 13.84 16.06 18.48 23.17
        d2 макс 5.22 6.26 8.34 10.42 12.5 14.59 16.66 20.83
        d2 хв 5.07 6.06 8.14 10.22 12.3 14.36 16.43 20.6
        да макс 6.1 7.4 10.1 12.5 15.7 18.1 20.5 26.1
        Lf макс 1.4 1.6 2.1 2.1 2.1 2.1 3.2 4.2
        r макс 0.25 0.29 0.36 0.45 0.54 0.63 0.72 0.9
        r хв 0.1 0.12 0.16 0.2 0.24 0.28 0.32 0.4
        ds1 макс 4.54 5.39 7.26 9.08 10.95 12.77 14.77 18.49
        ds1 хв 4.36 5.21 7.04 8.86 10.68 12.5 14.5 18.16
        L1 макс 3.5 4 5 6 7 8 9 11
        L1 хв 2.5 3 4 5 6 7 8 10

        Матеріал продукту

        Ми виготовляємо цей 12-точковий гвинт із фланцевою головкою переважно з вуглецевої та легованої сталі. Популярним вибором є середньовуглецева сталь і термічно оброблена легована сталь, оскільки вони мають добру міцність на розрив і залишаються стабільними у використанні. Ми вибираємо ці матеріали для повсякденної важкої роботи, тож вони не ламаються чи гнуться легко. Деякі версії використовують високоякісну леговану сталь, щоб відповідати суворішим промисловим правилам. Звичайне покриття поверхні – це цинкування та чорний оксид, які запобігають утворенню іржі. Під час виробництва кожен матеріал проходить просту перевірку якості на відповідність стандартним вимогам. Основний матеріал і термічна обробка безпосередньо впливають на те, наскільки добре він працює в реальному використанні. Використання правильної сировини зберігає стабільність кріплення під тиском, вібрацією та тривалим використанням. Він може стабільно працювати в більшості звичайних промислових умов, не втрачаючи міцності та не ламаючись передчасно.

        12 Point Flange Head Cap Screw

        Сесія запитань і відповідей

        Чи можу я отримати нестандартні розміри для цього гвинта з 12-точковою фланцевою головкою та який час виконання?

        Так, ми приймаємо запити на індивідуальні розміри, включаючи нестандартний крок різьби, довжину хвостовика та розміри головки. Термін виконання індивідуальних замовлень зазвичай становить 7-10 робочих днів після підтвердження зразка. Стандартні розміри є на складі для негайної відправки. Ми надішлемо детальні креслення для затвердження перед масовим виробництвом, щоб забезпечити повну відповідність вашим вимогам.  


        Гарячі теги: 12-точковий гвинт із головкою фланця, Китай, виробник, постачальник, фабрика
        Пов'язана категорія
        Надіслати запит
        Будь ласка, надішліть свій запит у формі нижче. Ми відповімо вам протягом 24 годин.
        X
        Ми використовуємо файли cookie, щоб запропонувати вам кращий досвід перегляду, аналізувати трафік сайту та персоналізувати вміст. Використовуючи цей сайт, ви погоджуєтеся на використання файлів cookie. Політика конфіденційності
        Відхиляти прийняти