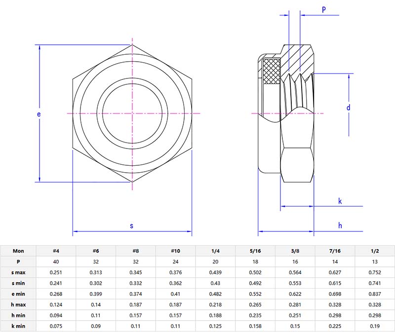
NTE Nylon Insert Lock Nut-це самостійне застібка з нейлоновим коміром у внутрішніх нитках. Коли він накручується на болт, нейлон блокує нитки, і гайка, швидше за все, не ослаблена, коли є вібрація або рух.

ЗNTE Nylon Insert Lock Nutвиготовлений з матеріалів, таких як цинкове сталь або нержавіюча сталь, вона розроблена для машин, транспортних засобів чи обладнання, де має значення надійність. На відміну від звичайних горіхів,NTE Nylon Insert Lock NutНе потрібні додаткові шайби або клеї - це замикає самостійно. Це просто встановлювати, багаторазово (в межах) і працює як у промислових установах, так і в повсякденному ремонті.
ВикористовуйтеNTE Nylon Insert Lock NutЗабезпечити деталі, які струшують або рухаються. Приклади: кріплення стопнів мотоциклів, зберігання валиків конвеєра на місці або складання офісних стільців з регульованими деталями. Це також зручно для зовнішнього обладнання, таких як садові причепи або велосипедні стелажі, де удари та погода можуть послабити стандартні горіхи. У домашніх майстернях він чудово підходить для виправлення хитких таблиць або закріплення компонентів електроінструменту, які вібрують під час використання.
Ви побачитеNTE Nylon Insert Lock Nutв автомобільному виробництві (кріплення двигуна, деталі підвіски), систем HVAC (забезпечення лопатей вентиляторів або каналів) та споживчих товарів, таких як пральні машини або велосипеди для фізичних вправ. Він також поширений у сільськогосподарській техніці, велосипедах та електроніці - будь -якій вібрації або часті коригування може послабити регулярні горіхи.

| Ринок |
Загальний дохід (%) |
| Північна Америка |
14 |
| Південна Америка |
10 |
| Східна Європа |
16 |
| Південно -Східна Азія |
10 |
| Середина Сходу |
7 |
| Східна Азія |
17 |
| Західна Європа |
12 |
| Південна Азія |
6 |
| Внутрішній ринок |
8 |
Xiaoguo® може налаштуватиNte nylon вставити замок -гайкидо вашогоболти. Шестикутна формагоріхПідходить до стандартного гайкового ключа, а нейлон всередині стійкий до зносу. Ми можемо надати зразки, і ви можете перевірити, чи відповідають безкоштовні зразки вашим потребам, перш ніж розміщувати велике замовлення.