Гайки, що герметизують вуглець, - це тип кріплення, що використовується для з'єднання тонких пластин або листових металів. Вони виготовлені з вуглецевої сталі, загартовані та гасять для підвищення твердості, а поверхня оцинкована або іншим чином зроблена корозійною.
Герник герметизації є досить простим, ви можете використовувати стандартні пневматичні або гідравлічні засоби для клінчі. Ось як це працює: спочатку покладіть гайку в попередньо відбитий отвір, а потім використовуйте удар і штамп для чинності. Штамп притискає листовий метал навколо коміра клінча горіха, утворюючи суцільний механічний замок на одному швидкому кроці.
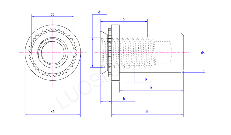
| Мн | М3-1 | М3-2 | M4-1 | M4-2 | M5-1 | M5-2 | М6-1 | М6-2 |
| P | 0.5 | 0.5 | 0.7 | 0.7 | 0.8 | 0.8 | 1 | 1 |
| ds max | 3.84 | 3.84 | 5.2 | 5.2 | 6.35 | 6.35 | 8.75 | 8.75 |
| DC Max | 4.2 | 4.2 | 5.38 | 5.38 | 6.33 | 6.33 | 8.73 | 8.73 |
| Б хв | 5.3 | 5.3 | 7.1 | 7.1 | 7.1 | 7.1 | 7.8 | 7.8 |
| H max | 0.91 | 1.38 | 0.97 | 1.38 | 0.97 | 1.38 | 1.38 | 1.38 |
| H max | 9.85 | 9.85 | 11.45 | 11.45 | 11.45 | 11.45 | 14.55 | 14.55 |
| H хв | 9.35 | 9.35 | 10.95 | 10.95 | 10.95 | 10.95 | 14.05 | 14.05 |
| k max | 8.5 | 8.5 | 9.8 | 9.8 | 9.8 | 9.8 | 12.7 | 12.7 |
| D2 Макс | 6.6 | 6.6 | 8.2 | 8.2 | 9 | 9 | 11.35 | 11.35 |
| D2 хв | 6.1 | 6.1 | 7.7 | 7.7 | 8.5 | 8.5 | 10.85 | 10.85 |
| D1 | М3 | М3 | M4 | M4 | M5 | M5 | М6 | М6 |
Гайки з герметизації вуглецю визначаються ключовими вимірюваннями: розмір нитки (наприклад, M4, M5, M6 або 1/4 "-20), діаметр коміра клінча, загальна висота, розміри герметизації шайби та діапазон товщини листа, з якими вони працюють (і Min, і Max). Ви можете отримати їх у стандартних метричних або імперіальних течах.
Їх сила клінчі (наскільки добре вони чинять опір, що виштовхують або скручуються) перевіряється проти галузевих стандартів (подумайте про ISO, DIN, IFI). Вибір потрібного розміру - це велика справа, вона гарантує, що ущільнення тримає, а гайка досить міцна для роботи.
Щоб встановити горіх для герметизації вуглецевої сталі, вам потрібен спеціалізований інструмент для клінчі та набір штампів, який точно відповідає розміру горіха. Спочатку покладіть гайку в попередньо відбитий отвір у листовому металі. Потім інструмент застосовує керований тиск, що змушує пілота та Knurl гайки занурюватися в навколишній метал. Цей процес холодної форми замикає гайку з нержавіючої сталі на місці назавжди, і в той же час він вискакує вбудовану герметичну шайбу на панелі. Ось як це створює ущільнювач, захищену від витоку, що робить ці гайки унікальними.
