додому > Продукти > Болт > Дванадцять кут -болт > 12-зубчасті шлицеві болти з фланцем
        12-зубчасті шлицеві болти з фланцем
        • 12-зубчасті шлицеві болти з фланцем12-зубчасті шлицеві болти з фланцем
        • 12-зубчасті шлицеві болти з фланцем12-зубчасті шлицеві болти з фланцем
        • 12-зубчасті шлицеві болти з фланцем12-зубчасті шлицеві болти з фланцем

        12-зубчасті шлицеві болти з фланцем

        12-зубчасті шлицеві болти з фланцем часто підходять для проектів, які потребують міцних і протиковзких з’єднань. Це може забезпечити кращий крутний момент і запобігти ковзанню болтів під час процесу затягування. Болти, вироблені фабрикою Xiaoguo®, відповідають стандарту виконання MS 14157B-1978.

        Надіслати запит

        Опис продукту

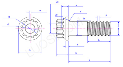
        Головка 12-зубчастих шлицевих болтів із фланцем має 12 зубців, які можна щільно закріпити за допомогою відповідного торцевого ключа. У його нижній частині є фланець, як прокладка, яка може збільшити площу контакту з з’єднуваним матеріалом.


        Особливості продукту

        12-зубчасті шлицеві болти з фланцем мають унікальну структуру з 12-зубчастого шлиця плюс фланець. Шліц із 12 зубами забезпечує більше точок прикладання зусилля, що робить операцію затягування більш точною та плавною. Фланці розсіюють тиск, підвищують стабільність з'єднання та запобігають ослабленню болтів.


        Ці болти можна приєднати до кореня лопаті вітрової турбіни. На болт леза діє відцентрова сила 20 тонн. Він може витримувати навантаження. Шліцева головка може витримувати гідравлічний крутний момент 1000 Н·м. Фланець може запобігти розтріскування кореня композитного матеріалу через мікрорух. Його потрібно міняти кожні п'ять років, а кожне пошкоджене лезо коштує цілих 250 000 доларів США.


        Шлицеві болти з 12 зубцями потребують відповідних шлицевих викруток. Вони можуть передавати величезний крутний момент без зачистки, набагато перевершуючи шестигранні болти. Вбудований фланець працює подібно до прокладки, тому ви можете заощадити на додаткових компонентах. Він дуже підходить для обслуговування важкого обладнання.


        12-зубчасті шлицеві болти з фланцем непросто підробити. Більшість людей не мають інструментів для шпонування. Фланці можуть утримувати болти в фіксованому стані під час вібрації, і вони використовуються на громадських механізмах або залізничних коліях, де існує ризик крадіжки. Для зон з підвищеною вібрацією (компресори, генератори) їх можна міцно закріпити. Шліцевий драйвер не вийде. Варіант зубчастого фланця може кусати поверхню. Стопорна шайба не потрібна.

        Параметри продукту

        Пн 1/4 5/16 3/8 7/16 1/2 9/16 5/8 3/4 7/8
        P 28 24 24 20 20 18 18 16 14
        постійний струм макс 0.438 0.531 0.649 0.75 0.828 0.938 1.05 1.23 1.438
        dc хв 0.428 0.521 0.639 0.74 0.818 0.928 1.04 1.22 1.428
        k макс 0.26 0.322 0.347 0.403 0.46 0.515 0.572 0.61 0.71
        k хв 0.25 0.312 0.337 0.393 0.45 0.505 0.562 0.6 0.7
        h макс 0.055 0.071 0.079 0.092 0.112 0.122 0.133 0.165 0.19
        год хв 0.035 0.051 0.059 0.072 0.092 0.102 0.113 0.145 0.17
        б хв 0.55 0.638 0.708 0.803 0.878 0.97 1.04 1.201 1.367
        d3 макс 0.19 0.225 0.27 0.33 0.39 0.45 0.51 0.58 0.66
        d3 хв 0.15 0.185 0.23 0.29 0.35 0.41 0.47 0.54 0.62
        w хв 0.135 0.162 0.197 0.228 0.254 0.289 0.327 0.38 0.438
        ds макс 0.2495 0.312 0.3745 0.473 0.4995 0.5615 0.624 0.749 0.874
        ds хв 0.2485 0.311 0.3735

        0.436

        0.4985 0.5605 0.623 0.748 0.873
        d1 макс 0.381 0.456 0.531 0.679 0.753 0.828 0.901 1.124 1.27
        d1 хв 0.373 0.447 0.522 0.668 0.742 0.817 0.89 1.112 1.258
        d2 макс 0.324 0.389 0.455 0.585 0.651 0.717 0.782 0.978 1.107
        d2 хв 0.318 0.383 0.448 0.578 0.644 0.711 0.774 0.97 1.099
        n макс 0.037 0.043 0.05 0.061 0.068 0.073 0.079 0.097 0.108
        n хв 0.031 0.037 0.043 0.054 0.06 0.065 0.071 0.088 0.099
        r макс 0.041 0.041 0.057 0.057 0.057 0.057 0.073 0.073 0.073
        r хв 0.031 0.031 0.047 0.047 0.047 0.047 0.063 0.063 0.063

        12 teeth spline bolts with flange

        Гарячі теги: Шлицеві болти з 12 зубами з фланцем, Китай, виробник, постачальник, фабрика
        Пов'язана категорія
        Надіслати запит
        Будь ласка, надішліть свій запит у формі нижче. Ми відповімо вам протягом 24 годин.
        X
        Ми використовуємо файли cookie, щоб запропонувати вам кращий досвід перегляду, аналізувати трафік сайту та персоналізувати вміст. Використовуючи цей сайт, ви погоджуєтеся на використання файлів cookie. Політика конфіденційності
        Відхиляти прийняти